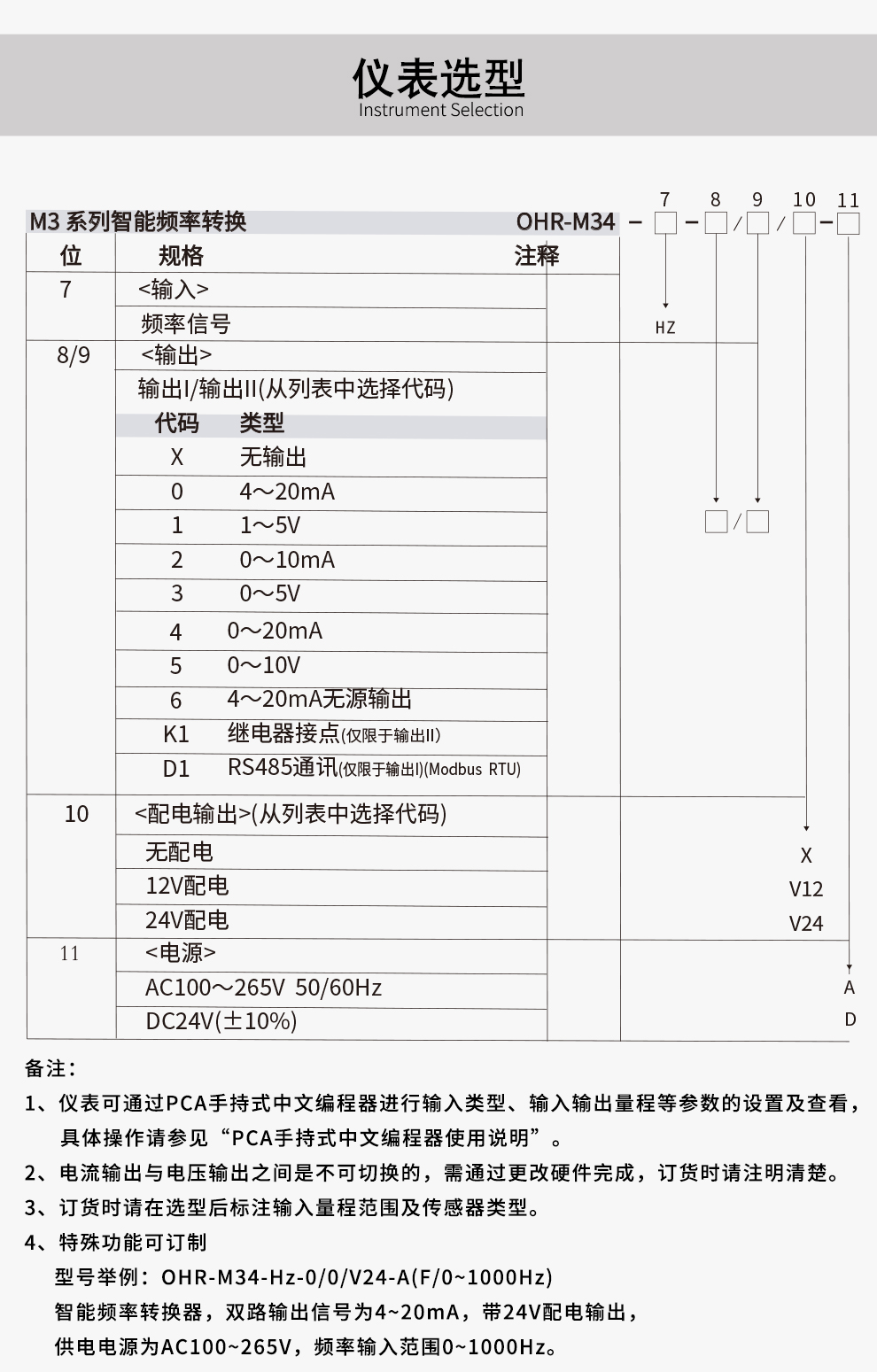
OHR-M34系列智能頻率轉換器
OHR-M34系列智能頻率轉換器將頻率信號經隔離整形放大后,變送隔離輸出所需的信號,也可向現場的一次儀表提供電源回路。















1、OHR-M34系列頻率轉換器.pdf(鼠標右鍵另存下載)
2、OHR-M34系列智能頻率轉換器選型手冊(鼠標右鍵另存下載)

1、隔離器與安全柵的區別是什么?
答:隔離器與安全柵最明顯的區別在于:隔離器用在普通場合,而安全柵用在防爆的場合,安全柵包括輸入端與 輸出端,輸入端是危險區到安全區,輸出端是安全區到危險區。
2、隔離器與隔離柵有什么區別,在什么情況下用隔離器在什么情況下用隔離柵?
答:隔離器主要作用是隔離現場一次設備中的干擾信號,可以防止信號擾動、不準等問題;隔離式安全柵作用是隔離危險區和安全區之間的危險電壓達到防爆目的。一般常規場合都可使用隔離器;隔離式安全柵用在有危險防爆場合的現場。